FSL-V-ZAB-SEK-HE_KL_img_01psd.png
Construction KL (room view)
doc_graphic_000009.png
Tested to VDI 6022

Conforms to VDI 6022

SCHOOLAIR-V_img_19psd.png
Cross counter flow heat recovery unit

Cross counter flow heat recovery unit

FSL-V-ZAB-SEK-HE_img_05psd.png

Revision filter and cross-counterflow heat recovery unit

FSL-V-ZAB-SEK-HE_img_04psd.png

Water and electrical connection

A00000075513_img_03psd.png

Optional control FSL-CONTROL III

Part number A00000075513

FSL-V-ZAB-SEK-HE_KL_img_01psd.png
doc_graphic_000009.png
SCHOOLAIR-V_img_19psd.png
FSL-V-ZAB-SEK-HE_img_05psd.png
FSL-V-ZAB-SEK-HE_img_04psd.png
A00000075513_img_03psd.png

X-CUBE ROOMAIR-V-ZAB/SEK-HE   

SUPPLY AND EXTRACT AIR UNIT WITH SWITCHOVER OPTION TO SECONDARY AIR MODE, INCLUDING HEAT RECOVERY (HRU) AND HEAT EXCHANGER FOR VERTICAL INSTALLATION IN FRONT OF THE SILL 

Ready-to-operate decentralised ventilation unit for comfortable room temperature control and ventilation of rooms

  • Acoustically optimised EC fans with low specific fan power, acc. to DIN EN 16798-3 SFP = 0
  • Cross-counterflow heat recuperator (heat recovery efficiency 83 %)
  • With highly efficient 2- or 4-pipe heat exchanger for heating and/or cooling
  • Mirror image version possible
  • Condensate drip tray with condensate drain
  • Year-round use of the HRU possible (condensate connection required on site)
  • Very low unit depth of only 260 mm
  • Unit floor space approx. 0.16 m²
  • Reduction of fine dust and pollen contamination due to integral filters that conform to VDI 6022 – filter class ISO ePM1 65 % / ISO Coarse 75 %
  • Inspection access panel simplifies filter change and cleaning of the heat exchanger
  • Motorised shut-off dampers, normally closed (NC)
  • Automatic switching to secondary air mode (based on air quality)


Optional equipment and accessories

  • Control system FSL-CONTROL III, specially designed and modularly constructed for decentralised ventilation systems
  • Wood panelling covers in various colours, with TROX ventilation grilles for supply and extract air (self-assembly kit)

Product successfully added to cart

Información técnica

  • FUNCTION
  • TECHNICAL DATA
  • ORDER CODE

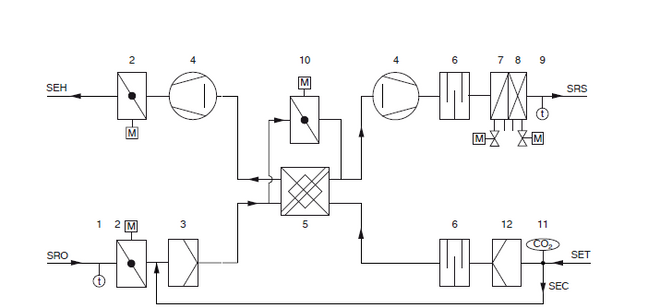
Decentralised supply and extract air units ventilate the room and cover the cooling and heating load in accordance with the technical data. An EC centrifugal fan takes in the outdoor air which then flows through the motorised shut-off damper and the outdoor air filter. Then the outdoor air flows through the crosscounterflow heat recovery unit, which can be bypassed in energetically sensible operating situations and for unit protection. If necessary, the air is heated or cooled by the heat exchanger before it is supplied into the room as a displacement flow. The extract air first passes through the extract air filter, then flows through the heat recovery unit, the extract air fan and the motorised shut-off damper before it is discharged to the outside as exhaust air. If the indoor air quality is sufficient, the FSLCONTROL III control system switches to energy-efficient secondary air mode by closing the outdoor air dampers. The control system compares the room air quality setpoint value to the actual value measured by the CO2 sensor and switches automatically between outdoor air and secondary air operation. In case of a power failure, the outdoor air and exhaust air dampers are closed to ensure fire protection, frost protection and to avoid draughts. This is ensured by a capacitor in each actuator.Near the external wall, the supply air is discharged into the room with a medium velocity between 0.5 and 0.8 m/s. Due to the induction effect, the supply air velocity is rapidly reduced after entering the room. As a result, in cooling mode, the supply air spreads out like displacement flow over the entire floor area. Near heat sources such as people or equipment, a lift current is formed by natural convection, so that the air is exchanged primarily in these areas.

Width

604 mm

Height

2200 mm

Depth

260 mm

Volume flow rate

75, 90, 120 m³/h (boost 150 m³/h)

Nominal volume flow rate

120 m³/h

Sound pressure level at nominal volume flow rate and 8 dB room

attenuation

33 dB(A)

Sound power level

30 – 45 dB(A)

Heat recovery efficiency

83 %

Maximum operating pressure, water side

6 bar

Maximum operating temperature

75 °C

Supply voltage

230 V AC ±10 %, 50/60 Hz

Power rating

275 VA

Weight

70 kg

RA-V-ZAB/SEKHE41KR / 604 × 2200 × 260 / C3 / MAT / MR / C / Z / A / HVR0.4 / KVR0.25
|||||||||||||||||||
12345678910111213141516171819
1 Type
FSL-V-ZAB/SEK
Vertical under sill ventilation unit

2 Variant
HE High degree of heat recovery

3 Heat exchanger
2
2-pipe
4 4-pipe


4 Heat exchanger construction
Specify construction (technical design with TROX EPF or TROX CONFIGURATOR)


5 Construction
KR with condensate drain, extract air opening on the right when seen from the room
KL with condensate drain, extract air opening on the left when seen from the room

6 Dimensions [mm]
Width × height × depth
604 × 2200 × 260

7 Control system
OR
without control system
C3 with FSL-CONTROL III

8 Control function
MA
Master
SL Slave

9 Real time clock
Only with control function MA
No entry: without real time clock
T with real time clock

10 Interface
No entry: without interface
MT with Modbus TCP
MR with Modbus RTU (only with control function MA)
BI with BACnet IP
BM with BACnet MS/TP (only with control function MA)

11 Air quality sensor
Only with control function MA
No entry: without air quality sensor
C with CO2sensor
V with VOC sensor

12 Supply air temperature sensor
Z with supply air temperature sensor

13 Outdoor air temperature sensor
Only with control function MA
No entry: without outdoor air temperature sensor
A with outdoor air temperature sensor

14 Heating valve
HV
with heating valve

15 Lockshield – heating circuit
R
with lockshield

16 kVS value – heating valve
0.25
(straight-way valve)
0.40 (straight-way valve)
0.63 (straight-way valve)
1.00 (straight-way valve)
F0.50 (pressure-independent control valve)

17 Cooling valve
With heat exchanger '4' only
KV with cooling valve

18 Lockshield – cooling circuit
R
with lockshield

19 kVS value – cooling valve
0.25
(straight-way valve)
0.40 (straight-way valve)
0.63 (straight-way valve)
1.00 (straight-way valve)
F0.50 (pressure-independent control valve)



Descargas

Información sobre el producto

Certificados

Manuales de funcionamiento

production {"x-frame-options"=>"SAMEORIGIN", "x-xss-protection"=>"0", "x-content-type-options"=>"nosniff", "x-permitted-cross-domain-policies"=>"none", "referrer-policy"=>"strict-origin-when-cross-origin", "strict-transport-security"=>"max-age=31536000; includeSubDomains", "content-type"=>"text/html; charset=utf-8", "link"=>"</assets/application-efbc495b06ca980ef13dc743756002fce2f413f798fecb64c7f0c81954c16402.css>; rel=preload; as=style; nopush,</assets/print-fec2e47d6d8dcc5d4c101139f17046ba981ca1c12f71e7e403fba50cc7584175.css>; rel=preload; as=style; nopush,</assets/other_js/modernizr.custom.93544-c26374a79d804901074bb4aa6fd3fa44ea22e840389915d2adce16b024021ef3.js>; rel=preload; as=script; nopush,</assets/other_js/js.cookie.min-de103d86d1919b40950f791699b4ce768137fde41af09b35ff92bde369732183.js>; rel=preload; as=script; nopush,</assets/other_js/jquery-3.5.1-2c4ce18a1a3f144c333912efc24a76c9a165a0dba9f88a499985df1af0a196a2.js>; rel=preload; as=script; nopush"}

Compartir la página

Recomendar la página

La página puede ser recomendada compartiendo este enlace.

Los campos marcados con un asterísco (*) son de obligado cumplimiento.

Contacto

¡Gracias por su mensaje!

Su recomendación ha sido remitida con éxito.

Contacto

Estamos aquí para ayudarle

Por favor indique el asunto de su consulta y sus datos de contacto.
Tel.: +34 976 50 02 50 | Fax: +34 976 50 09 04

Adjunto (máx. 10MB)

Los campos marcados con un asterísco (*) son de obligado cumplimiento.

Contacto

¡Gracias por su mensaje!

Su mensaje se ha recibido con éxito en el buzón del SAT de TROX.
En seguida nos pondremos en contacto con usted.
En caso de que disponga de cuestiones adicionales, puede contactar con nosotros en: Tel.: +34 976 50 02 50 | Fax: +34 976 50 09 04

Contacto

Estamos aquí para ayudarle

Por favor indique el asunto de su consulta y sus datos de contacto.
Tel.: +34 976 50 02 50 | Fax: +34 976 50 09 04

Adjunto (máx. 10MB)

Los campos marcados con un asterísco (*) son de obligado cumplimiento.

Contacto

¡Gracias por su mensaje!

Su mensaje se ha recibido con éxito en el buzón del SAT de TROX.
En seguida nos pondremos en contacto con usted.
En caso de que disponga de cuestiones adicionales, puede contactar con nosotros en: Tel.: +34 976 50 02 50 | Fax: +34 976 50 09 04